MEMS硅晶振编带卷盘说明
载带的基本尺寸基于 EIA481 标准。口袋的设计用于在运输和装载到 SMT 制造设备时固定部件,同时保护本体和焊端免受损坏应力。各个口袋的设计可能因供应商而异,但宽度和间距将保持一致。
载带根据卷盘上的部件数量和封装本体尺寸缠绕或放置在 7 英寸或 13 英寸的运输卷盘上。
中心轮毂的设计足够大,以确保载带围绕其形成的半径不会对部件造成不必要的应力。
在运输之前,将部件放入载带的口袋中。对湿度敏感的部件(MSL 等级 2a - 5a)在放入载带的口袋之前进行烘烤。一条覆盖带密封在整个载带的顶部。
卷盘密封在带有干燥氮气回填的保护袋中。卷盘由高抗冲聚苯乙烯制成,且为防静电材料。两次不同的发货中,卷盘的颜色可能不同,具体取决于发货地点。但是,卷盘的规格是相同的。载带由浸渍碳的聚苯乙烯制成,为静电耗散材料。覆盖带由聚苯乙烯抗静电材料制成。
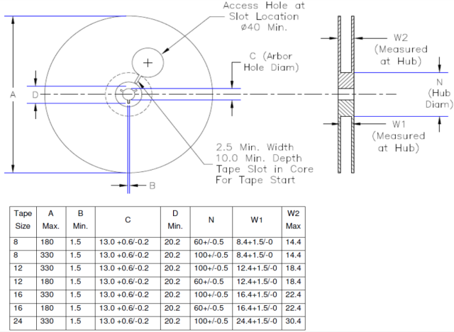
图 1 提供了所有生产中的封装/POD 的编带卷盘载带的相关尺寸。图 2 提供了编带卷盘包装的卷盘尺寸。


注:所有尺寸均以毫米为单位
图 2:载带尺寸

图3:卷盘尺寸
对于所有 QFN、WLCSP 和模块(SIP LGA)封装(图 2 )以及 SOT23 - 5 封装(图 4),载带中的器件方向如下图所示。

图 4:标准编带卷盘引脚 1 方向(SOT - 23 除外)

图 5:SOT23 编带卷盘引脚 1 方向
下表 1 提供了编带卷盘数量、卷盘尺寸和顶部标记选项的订购详情。“后缀”字符是部件编号字符串中的最后一个字符,如下例所示。与此表的偏差将通过定制部件编号(CS)表示。


表 1:带有部件编号编码的标记和编带卷盘选项选择
编带的前端和尾端符合 EIA - 481 标准,如下所示:

表 2:前端和尾端长度
剥离强度:以每分钟 300 毫米的剥离速度从载带上剥离覆盖带所需的力应在 0.1 牛顿至 1.3 牛顿(10 克至 130 克)的范围内。这符合 EIA 标准。

厂商技术支持
收藏网址
400-888-2483






